1000 KVA پیڈ ماونٹڈ ٹرانسفارمر -13.2/0.48 KV|USA 2025
صلاحیت: 1000 کے وی اے
وولٹیج: 13.2/0.48 کے وی
خصوصیت: IFD کے ساتھ

جدید ٹکنالوجی ، کامل مطابقت - تین - فیز پیڈ ماونٹڈ ٹرانسفارمر پاور انڈسٹری کے لئے ایک نیا مستقبل چلاتا ہے!
01 جنرل
1.1 پروجیکٹ کا پس منظر
2025 میں 1000 کے وی اے تھری فیز پیڈ ماونٹڈ ٹرانسفارمر امریکہ پہنچایا گیا تھا۔ ٹرانسفارمر کی درجہ بندی کی طاقت 1000 کے وی اے ہے جس میں اوون کولنگ ہے۔ پرائمری وولٹیج 13.2 گرڈی/7.62 KV ہے جس میں ± 2*2.5 ٪ ٹیپنگ رینج (NLTC) ہے ، ثانوی وولٹیج 0.48y/0.277 KV ہے ، انہوں نے YNYN0 کا ایک ویکٹر گروپ تشکیل دیا۔
ہمارے پیڈ - ماونٹڈ ٹرانسفارمر کو چھیڑ چھاڑ اور موسم کے خلاف مزاحم بنانے کے لئے ڈیزائن کیا گیا ہے ، جس سے وہ عوامی علاقوں میں جگہ کا تعین کرنے کے لئے محفوظ ہیں۔ ہر دیوار کو بھاری - گیج اسٹیل سے تعمیر کیا گیا ہے اور یہ پاؤڈر {{3} is ہے جس میں پائیدار بیکڈ - کے ساتھ لیپت کیا جاتا ہے تاکہ چھیڑ چھاڑ کی مزاحمت کو بڑھایا جاسکے۔ ہم دونوں براہ راست - سامنے اور مردہ - اپنے پیڈ - ماونٹڈ ٹرانسفارمر دونوں پیش کرتے ہیں ، جو ریڈیل یا لوپ فیڈ کی ترتیب کے ساتھ آتے ہیں۔ جدید پیڈ لگے ہوئے ٹرانسفارمر عام طور پر توانائی کی کھپت اور آپریشنل اخراجات کو کم کرنے کے ل effective موثر ڈیزائنوں کو ملازمت دیتے ہیں ، جبکہ استعمال ہونے والے ڈائی الیکٹرک سیال اکثر ماحول دوست مواد ہوتے ہیں۔ مختلف کام کے حالات کے تحت محفوظ آپریشن کو یقینی بنانے کے ل safety حفاظت کے مختلف اقدامات پر عمل درآمد کیا جاتا ہے ، جیسے اوورلوڈ پروٹیکشن ، مختصر - سرکٹ پروٹیکشن ، اور گراؤنڈ فالٹ مانیٹرنگ۔ رہائشی علاقوں ، تجارتی زونز ، صنعتی پارکس ، اور دیہی بجلی کی تقسیم کے نظام میں پی اے ڈی ماونٹڈ ٹرانسفارمر لاگو ہوتے ہیں ، جو بوجھ کے مختلف مطالبات کو پورا کرتے ہیں۔
1.2 تکنیکی تفصیلات
1000KVA تھری فیز پیڈ ماونٹڈ ٹرانسفارمر تفصیلات اور ڈیٹا شیٹ
|
فراہم کیا
امریکہ
|
|
سال
2025
|
|
قسم
تین فیز پیڈ ماونٹڈ ٹرانسفارمر
|
|
معیار
آئی ای ای ای سی 57.12.00
|
|
درجہ بندی کی طاقت
1000KVA
|
|
تعدد
60 ہرٹج
|
|
مرحلہ
سنگل
|
|
کولنگ کی قسم
اونن
|
|
پرائمری وولٹیج
13.2 گرڈی/7.62 کے وی
|
|
ثانوی وولٹیج
0.48y/0.277 kv
|
|
سمیٹنے والا مواد
ایلومینیم
|
|
رکاوٹ
5.75%
|
|
چینجر کو تھپتھپائیں
nltc
|
|
ٹیپنگ رینج
±2*2.5%
|
|
بوجھ کا کوئی نقصان نہیں
1.3kw
|
|
بوجھ کے نقصان پر
6.94KW
|
|
لوازمات
معیاری ترتیب
|
|
ریمارکس
N/A
|
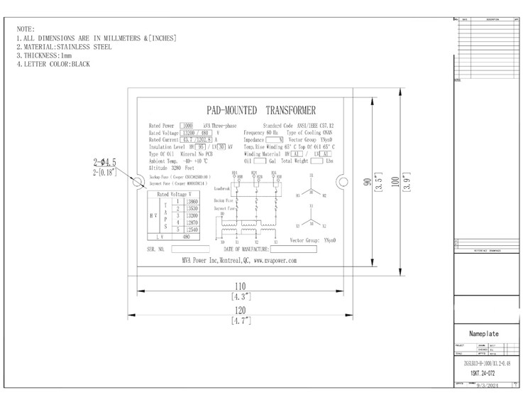
1.3 ڈرائنگ
1000 کے وی اے تھری فیز پیڈ ماونٹڈ ٹرانسفارمر طول و عرض اور وزن کی تفصیلات
![]() |
![]() |
02 مینوفیکچرنگ
2.1 کور
تین - فیز تھری - کالم کور میں تین عمودی طور پر ترتیب دیئے گئے کالموں پر مشتمل ہے ، ہر ایک بجلی کے ایک مرحلے کے مطابق ہے۔ یہ کالم افقی بیم کے ذریعہ جڑے ہوئے ہیں ، ایک سخت ڈھانچہ تشکیل دیتے ہیں جو اچھی میکانکی طاقت اور استحکام فراہم کرتا ہے۔ یہ ڈیزائن اس بات کو یقینی بناتا ہے کہ ٹرانسفارمر زیادہ سے زیادہ مقناطیسی کارکردگی کو برقرار رکھتے ہوئے آپریشن کے دوران مختلف مکینیکل دباؤ کا مقابلہ کرسکتا ہے۔ تین - فیز تھری - کالم کور ایک بند مقناطیسی سرکٹ کی تشکیل کرتا ہے ، جو مقناطیسی بہاؤ کو مؤثر طریقے سے مرکوز کرتا ہے اور رساو مقناطیسی بہاؤ کو کم کرتا ہے۔ کور کم - نقصان سلیکن اسٹیل کی چادروں سے بنا ہے جو ایک ساتھ اسٹیک ہیں۔ ان سلکان اسٹیل کی چادروں میں بہترین برقی مقناطیسی خصوصیات ہیں جو ایڈی موجودہ نقصانات اور ہسٹریسیس نقصانات کو مؤثر طریقے سے کم کرتی ہیں۔

2.2 سمیٹ

پیڈ - ماونٹڈ ٹرانسفارمر کے لئے کم - وولٹیج بوشنگ برقرار رکھنے والا ایک اہم ساختی جزو ہے جو دس سوراخوں سے زیادہ ترتیبوں میں بشنگ کو محفوظ اور مستحکم کرنے کے لئے ڈیزائن کیا گیا ہے۔ مضبوط میکانکی مدد فراہم کرنے سے ، یہ ایک سے زیادہ بشنگ تنصیبات کی سیدھ اور سالمیت کو یقینی بناتا ہے ، جو کمپن ، تھرمل سائیکلنگ ، یا بیرونی قوت سے ہونے والے نقصان کے خطرات کو مؤثر طریقے سے کم کرتا ہے ، اس طرح ٹرانسفارمر کی لمبائی- term کی حفاظت اور قابل اعتماد کو بڑھاتا ہے۔
2.3 ٹینک
ٹرانسفارمر آئل ٹینک کو آلات کو انسٹال کرنے کے لئے سہولیات فراہم کرنا چاہ. ، جیسا کہ ضمیمہ 2 میں دکھایا گیا ہے۔ ایک ہی وقت میں ، کم -} وولٹیج ٹوکری کے اندرونی حصے سے 1 - انچ کی تنصیب کی سہولت فراہم کی جانی چاہئے۔ تمام دروازوں کو بغیر کسی رکاوٹ کے مکمل طور پر کھولنے کے قابل ہونا چاہئے (جیسے بجلی کے میٹر وغیرہ)۔ جب فکسڈ ٹائپ لو وولٹیج کا ٹوکری کم سے کم سائز 16 1/2 انچ x 33 1/4 انچ جگہ اور ضمیمہ 2 میں مخصوص اونچائی پر فراہم کرتا ہے تو ، کسی بھی آلے کی تنصیب کی سہولیات کی ضرورت نہیں ہے۔

2.4 IFD

ٹرانسفارمرز کے لئے موصلیت کی غلطی کا پتہ لگانے (IFD) ایک آن لائن مانیٹرنگ سسٹم ہے جو انسولیٹنگ آئل میں تحلیل ہونے والے ہائیڈروجن گیس (H₂) کی مستقل نگرانی کرکے ابتدائی انتباہی آلہ کا کام کرتا ہے۔ یہ اندرونی موصلیت کے غلطیوں کے ابتدائی مراحل کا پتہ لگاتا ہے ، جیسے جزوی خارج ہونے والے مادہ یا زیادہ گرمی ، جو ہائیڈروجن پیدا کرتے ہیں ، اس سے پہلے کہ ان مسائل میں بڑی ناکامیوں میں اضافے سے قبل فعال دیکھ بھال کی جاسکے۔ بنیادی طور پر ، IFD ٹرانسفارمروں کے لئے صحت سے متعلق صحت کی اسکریننگ کے طور پر کام کرتا ہے ، قابل اعتماد کو بڑھاتا ہے اور ان کے ابتدائی اور انتہائی قابل انتظام مرحلے پر دیرپا غلطیوں کی نشاندہی کرکے تباہ کن نقصان کو روکتا ہے۔
03 ٹیسٹنگ
3. دروازے کے کھلنے اور بند کرنے کے کاموں کا معائنہاس تقاضے میں یہ شرط عائد کی گئی ہے کہ اس سے پہلے کہ ٹرانسفارمر کارخانہ دار سامان کی فراہمی کرے ، دروازے کے ایک سے زیادہ افتتاحی اور اختتامی کاموں کو یہ معلوم کیا جانا چاہئے کہ آیا دروازہ مناسب طریقے سے کام کرتا ہے ، غلط فہمی ، اخترتی ، یا ناجائز قبضہ کی تنصیب جیسے مسائل سے گریز کرتے ہیں۔
items ٹیسٹ آئٹمز: بنیادی طور پر مکینیکل کارکردگی کے ٹیسٹ ، بشمول دروازے کے کھلنے اور بند ہونے کی فریکوئنسی ، ہموار پن اور سیلنگ کارکردگی۔
• معیاری تقاضے: یہ ٹیسٹ اس بات کو یقینی بناتا ہے کہ استعمال کے دوران ٹرانسفارمر انکلوژر یا سوئچ پینل کو جسمانی طور پر نقصان نہیں پہنچا ہے ، اور یہ کہ دروازہ کھولنے اور بند کرنے والی کارروائیوں کو اچھی فنکشنل حیثیت برقرار ہے۔
• اے این ایس آئی کے معیارات: اگرچہ اس شے کو واضح طور پر تمام اے این ایس آئی معیارات میں درج نہیں کیا جاسکتا ہے ، لیکن عام طور پر اسی طرح کی ضروریات اے این ایس آئی سی 57.12.90 (ٹرانسفارمرز کے لئے معیاری ٹیسٹ کی ضروریات) جیسی وضاحتوں میں پائی جاتی ہیں ، جو تمام بیرونی آپریٹنگ اجزاء کی وشوسنییتا کو یقینی بناتی ہیں۔


04 دوسرے
4.1 ضرورت
پیڈ - ماونٹڈ کمپارٹلائزڈ ٹرانسفارمرز میں ٹرانسفارمر ٹینک اور اعلی اور کم وولٹیج کیبل ٹرمینل کمپارٹمنٹ شامل ہوں گے۔ ٹرانسفارمر ٹینک اور ٹوکریوں کو پیڈ پر انسٹالیشن کے لئے بطور یونٹ جمع کیا جائے گا۔ بیرونی حصے میں کوئی بے نقاب پیچ ، بولٹ یا بیرونی طور پر ہٹنے والے دیگر آلات نہیں ہوں گے۔ ایسی کوئی سوراخ نہیں ہوگی جس کے ذریعے غیر ملکی اشیاء جیسے شاخیں ، دھات کی سلاخیں یا تاروں کے براہ راست حصوں سے رابطے میں آسکیں۔ ٹوکری کے دروازوں کو لاک کرنے کے لئے مناسب ذرائع فراہم کیے جائیں گے۔ این سی 2 تھریڈ کلاس کے ساتھ 1/2 انچ ہیکس ہیڈ لاک بولٹ اور لاکنگ ڈیوائس سے الگ بھی فراہم کیا جائے گا جیسا کہ منسلک میں دکھایا گیا ہے۔ ساختی ڈیزائن ٹرانسفارمر کے معمول کے عمل کو متاثر کرنے سے بچنے کے ل water پانی کے اندراج (سیلاب کے علاوہ) کو ٹوکریوں میں محدود کردے گا۔

4.2 لوازمات

ٹرانسفارمر چھ (6) ایسنا ، پرملی ، اجزاء ، سینٹل مالونی یا ویسٹنگ ہاؤس ہائی - وولٹیج بشنگ سوراخ (اے این ایس آئی سی 119.2) سے لیس ہوگا ، جو ایک رنگ کے اہم پرائمری سسٹم سے ٹرانسفارمر کو چلانے کے لئے بوجھ - بریک پلگ قبول کرنے کے لئے بیرونی طور پر کلیمپڈ ہے۔ ایلسٹیمولڈ اسٹائل 164BA لہرانے والی رنگ اسمبلی کے لئے فکسچر کو منسلک 1 میں دکھائے جانے والے مقامات پر فراہم کیا جائے گا۔ کورپرین ، نائٹریل یا دیگر میونسپلٹی سے منظور شدہ گاسکیٹ مواد کو محدود آلات فراہم کیے جائیں گے۔ گسکیٹ مواد کو مناسب طریقے سے نصب کیا جائے گا تاکہ یہ یقینی بنایا جاسکے کہ اونچے -} وولٹیج بشنگ سوراخ ہمیشہ گراؤنڈ ٹینک کے ساتھ رابطے میں رہتے ہیں۔ اونچی - وولٹیج لیڈز کی لمبائی - بوشنگ کنوؤں کی سائٹ کی تبدیلی پر سہولت کے ل sufficient کافی ہوگی۔
05 سائٹ اور خلاصہ
آخر میں ، تین - فیز پیڈ ماونٹڈ ٹرانسفارمر بیرونی برقی تقسیم کی ضروریات کے لئے ایک انتہائی موثر اور قابل اعتماد حل کی نمائندگی کرتا ہے۔ اس کے مضبوط ڈیزائن ، جدید موصلیت کی ٹکنالوجی ، اور ٹھنڈک کی موثر صلاحیتوں کے ساتھ ، یہ ٹرانسفارمر ماحولیاتی حالات کو چیلنج کرنے میں بھی زیادہ سے زیادہ کارکردگی اور لمبی عمر کو یقینی بناتا ہے۔ اس کا کمپیکٹ ، پیڈ - ماونٹڈ کنفیگریشن نہ صرف جگہ کی بچت کرتی ہے بلکہ حفاظت اور تنصیب میں آسانی کو بھی بڑھا دیتی ہے۔ چاہے تجارتی ، صنعتی ، یا میونسپل ایپلی کیشنز کے ل our ، ہمارے تین - فیز پیڈ ماونٹڈ ٹرانسفارمر اس طاقت اور وشوسنییتا کی فراہمی کرتے ہیں جس پر آپ اعتماد کرسکتے ہیں۔ پائیدار اور موثر توانائی کے حل کے ل our ہمارے ٹرانسفارمرز کا انتخاب کریں جو آج کے تیار ہوتے توانائی کے مناظر کے تقاضوں کو پورا کرتا ہے۔

ڈاؤن لوڈ، اتارنا ٹیگ: 1000 کے وی اے پیڈ ماونٹڈ ٹرانسفارمر ، مینوفیکچرر ، سپلائر ، قیمت ، لاگت
You Might Also Like
500 KVA مردہ فرنٹ پیڈ ماونٹڈ ٹرانسفارمر -24.94/0.48 ...
1000 کے وی اے آئل سے بھرے پیڈ ماونٹڈ ٹرانسفارمر 13.8...
4000 KVA 3 فیز پیڈ ماونٹڈ ٹرانسفارمر -24.94/0.6 KV|ک...
3000 KVA ٹرانسفارمر -25/0.6 کے وی|کینیڈا 2025
500 kVA یوٹیلیٹی پیڈ نصب ٹرانسفارمر-24/0.48 kV|امریک...
3000 کے وی اے پیڈ ماونٹڈ ٹرانسفارمر 25/0.6 کے وی|کین...
انکوائری بھیجنے









